Product Description:
Name:plug torque test device of iec60065 figure 11
Type:BND-CTLJ
Standards:BS1363.3,IEC60884,VDE0620,IEC60598,IEC60065 fig11
Application
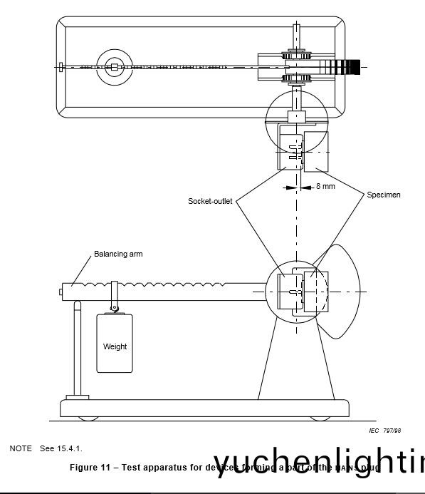
Socket-outlet Torque Balance Tester is used for test the torque strain exerted by the input
socket-outlet and the devices with plug pins on output socketoutlets.
The balancing arm of the test center lines of the contact tubes of the
socket-outlet at a distance of 8 mm behind the engagement face of the socket-outlet.
With the engagement,the balancing arm is in equilibrium, the engagement face of the
socket-outlet being in the vertical position.
After the device has been engaged,the torque to be applied to the socket-outlet to maintain its engagement face in the vertical plane is determined by the position of a weight on the balance arm.
Due to the different standards of different countries,the device are contained three socket clamps,If the needed clamps are more than 3 ,on request.
In addition ,it includes a 5N weight and a 1N weight
Type:
| weight | 2.5N*1, 1N*1 |
Plug | UL plug*1, European plug*1,all-purpose plug*1 |
Conforms to standard | IEC60884,VDE0620,IEC60598,IEC60065Fig11 |
Arm of force | 0-200mm |
The distance from the contact surface and the Axis of the surface | 8mm |



